Thrust ball bearings are designed to withstand thrust loads during high-speed operation, consisting of ring-shaped inner and outer rings with raceway grooves for ball circulation. Due to their cushion-shaped rings, thrust ball bearings are categorized into two types: flat-bottomed cushion type and self-aligning spherical cushion type. Additionally, these bearings can handle axial loads but cannot bear radial loads.

Thrust ball bearings are designed to withstand thrust loads during high-speed operation. They consist of ring-shaped inner and outer rings featuring raceway grooves for ball circulation. Due to their cushion-shaped configuration, thrust ball bearings are categorized into two types: flat-bottomed cushion type and self-aligning spherical cushion type. Furthermore, these bearings can handle axial loads but cannot bear radial loads.
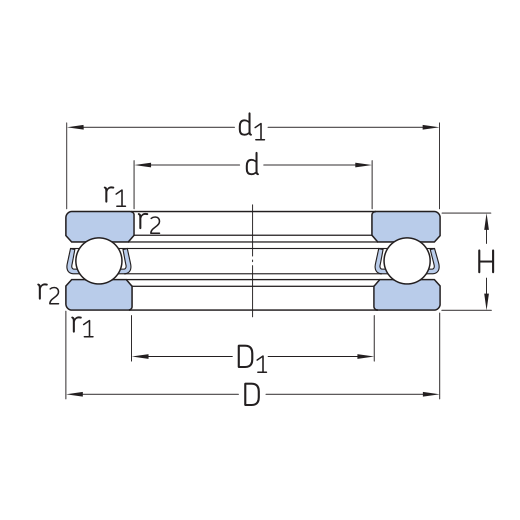
Based on load direction, they are categorized as single-direction thrust ball bearings and double-direction thrust ball bearings. Single-direction thrust ball bearings handle axial loads in one direction, while double-direction thrust ball bearings handle axial loads in both directions, with the inner ring mating with the shaft. Bearings featuring a spherical mounting surface on the outer ring possess self-aligning capability, reducing the impact of mounting errors. Thrust ball bearings cannot handle radial loads and have a relatively low maximum operating speed.
Features
1. Available in single-direction and double-direction types
2. To accommodate installation errors, both single-direction and double-direction types can be selected with spherical self-aligning seat pads or spherical seat rings.
3. Premium steel — Utilizes ultra-clean steel extending bearing life by 80%.
4. Advanced grease technology — Extends grease service life and enhances bearing performance.
5. High-grade balls — Ensure quiet and smooth operation at high speeds.
6. Optional rings accommodate installation errors.
Thrust ball bearings are suitable only for components subjected to axial loads on one side and operating at low speeds, such as crane hooks, vertical pumps, vertical centrifuges, jacks, and low-speed reducers. The bearing's inner ring, outer ring, and rolling elements are separate and can be installed or disassembled individually.
“Do you see over yonder, dear client, those tricky equipment bottlenecks, those wear-and-tear troubles that stall your production? I intend to arm your machines with genuine imported bearings—and stand by with technical support to slay every glitch that comes your way.”
— Hengzhou Bearings







leave a comment